“一橋飛架南北,天塹變通途”,近年來我國橋梁技術發展迅猛,尤其是在橋梁跨度技術方面。其中橋梁纜索是斜拉橋等橋梁的重要結構部件,是橋梁的主要承力結構之一。在工程應用中,需要對纜索進行實時的、可靠的牽引控制,才能保證大橋的整體施工質量,這無疑是給常規施工帶來了困難,也使得卷揚機系統在橋梁施工中得到了廣泛應用。

現如今,大橋上的纜索吊裝系統均使用卷揚機設備,其驅動部分都采用性能較高的變頻器來完成,取消了以往的傳統控制方式,以保證設備安全可靠的運行。
目前,易能EN600系列高性能矢量變頻器已成功應用在各種建筑、水利、農業礦山等卷揚系統設備中,速度響應快,運行安全可靠。下面,我們來介紹易能EN600變頻器在某大橋卷揚系統中的成功應用。
系統介紹
纜索吊裝系統主要由錨碇、承重系統、起吊系統、牽引系統、機電系統及限位保護裝置等構成。錨碇分為三部分,分別是主錨碇、轉向裝置地錨、卷揚機地錨。承重系統主要是承重索及天車,而承重索是天車運行的軌道及主要的傳力構件,一般采用麻芯鋼索。天車是坐落在承重索上面能夠前后走行的滑輪組,其是纜索吊走行及起吊的重要結構。起吊系統主要包括起吊卷揚機、起吊鋼索、起吊滑車及下落配重,是用來起吊及下落貨物的系統。牽引系統主要包括牽引卷揚機,牽引懸索及牽引滑車,是用來移動天車前后走行的系統,機電系統是指纜索吊的一整套電力系統,包括一些配電箱、凸輪控制開關等。
該現場中的懸索收卷是橋梁牽引系統的重要組成部分,要利用變頻驅動的卷揚機,才能收卷好。


懸索收卷機設置
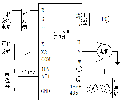
該現場懸鎖收卷機驅動部分由一臺易能EN600-4T0450G變頻器和一臺37KW電機組成,觸摸屏與變頻器之間進行MODBUS通訊,用來修改參數值和監視部分運行數據;變頻器主控板部位另外加裝一塊EN-PG03擴展卡,與電機末端編碼器相連形成閉環系統,從而實現精確和快速響應的高性能矢量控制。變頻器接線與部分參數設置如下:

![V[J9N(1QDPBMU6N7[5J$]HH.png V[J9N(1QDPBMU6N7[5J$]HH.png](/upload/ueditor/image/20190925/6370500175040463906262233.png)
易能變頻器應用優勢

?
■ 替換現場某進口品牌變頻器,性價比高,且后期維護性好;
■ 主板除了可配備EN-PG03擴展卡外,還可配置不同制式擴展卡,與電機編碼器或者旋變相連,形成閉環控制,使得系統更安全;
■ 可到達精準的恒轉矩控制,懸索收卷力矩控制響應速度更快;
■ 加速過程平衡穩定,停車平穩、精準,提高了設備工作效率;
■ 使設備設計制作簡單,實用性高,推廣性強,應用前景廣闊。
? 4000-711-088
深圳市南山區桃源街道麗山路大學城創業園1503室
0755-26985120
info@enc.net.cn